BONDING
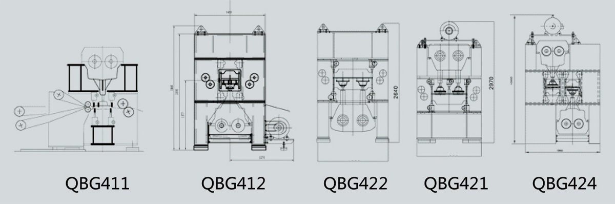
TANDEM NEEDLE PUNCHING MACHINE TYPE QBG424

It can be used as main needle punching machine or finishing needle punching machine in nonwoven needle punching productionlines and has a varied applications in producing needle punching products with high density, high tensile strength and high quality.
Specifications:
frame width: 1200--- 60OOmm
needle punching frequency: 1200rpmproduction
speed: 0.6-6m/min
Small space occupation,compactstructure,high needle punchingdensity,
Unique double-rod-drivenbalance oil tank to guarantee a more stablemovement of each board;
Automatic stop at upper limitingposition of needle board apt toassembling and disassembling
Separate cooling lubrication systemo
Advanced speed adjustment and large screen display
Different Model with Draft

Production Patents and Industry Standards Maker.

7S Site Management

Superior Manufacturing Equipment

Tailor-made configuration solutions

High mechanical quality, international advanced electrical control, the whole line realizes intelligentization, one key starts, and one key stop.